Ученые создали живые клетки-зомби
В настоящий момент в мире очень популярна тема живых ходячих мертвецов. Особенно это заметно в видеоиграх и фильмах, где каждый второй разработчик и режиссер ставит своим долгом выпустить игру или фильм про подгнивших зомби, которые наводят страх на всю округу. Но оказывается, тема зомби интересует не только развлекательную индустрию, но и науку. Ученые из Нью-Мексико заявляют, что создали целый миллион так называемых клеток-зомби, которые хоть и не являются живыми, но ведут себя именно так.
Более того, исследователи говорят, что такие клетки даже превосходят в некоторых аспектах своих настоящих живых собратьев. Ученые объясняют, что клетка-зомби более стойко переносит экстремальные температуры и давление, по сравнению с обычными клетками.
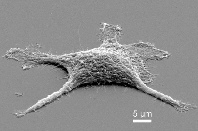
Huffington Post пишет, что созданная из диоксида кремния клетка-зомби имеет очень похожее на живую клетку строение. Для ее создания ученые умудрились поместить крошечную частицу диоксида кремния внутрь настоящей живой клетки и подвергли ее нагреву. Живая клетка потеряла свой белок, но диоксид кремния не позволил структуре клетки распасться и принял его форму.
Доктор Браян Кер (Bryan Kaehr), профессор и специалист по материалам, в настоящий момент работающий в Университете Нью-Мексико, делает акцент на то, что клетки-зомби получились очень стабильными и выносливыми – они способны выдерживать высокую температуру до 500 градусов по Цельсию.
Помимо работы в Университете Нью-Мексико, доктор Браян сотрудничает с Национальной лабораторией Сандия, что находится в Альбукерке и занимается нанотехнологиями. Поэтому он объясняет значимость этого удачного открытия еще и с этой стороны:
«Перед учеными стоят сложные задачи на пути создания наноструктур. Мы научились создавать частицы и волокна, но создать произвольные трехмерные структуры нам пока не удалось. А с таким подходом нам эти структуры самим создавать и не придется – природа уже все сделала за нас».
Ученые считают, что эти клетки-зомби помогут сделать новый шаг в нанотехнологиях. И новые наноструктуры будут собираться не из обычных микроскопических кусков металла с проводами, а уже из «живых» атомов и молекул.
В качестве потенциальных полей для исследования ученые уже выделяют производство различных сенсоров и топливную промышленность.


