Ученые создали первый в мире квантовый метаматериал (ФОТО)
Немецкие ученые из области материалов создали первый в мире квантовый метаматериал. В результате появилось больше вопросов, чем ответов, но, во-первых, открытие может нести важное значение в таких областях, как фиксация единичного фотона и переключение фазы, а во-вторых, стать средством для дальнейшего исследования парадоксальных принципов квантовой физики.
Метаматериал, как вы, должно быть, знаете — это материал, обладающий свойствами, которых в природе нет. Почти во всех случаях, когда упоминаются метаматериалы, имеется в виду отрицательный коэффициент преломления — то есть свет отражается в противоположном направлении от того, какое ожидаете увидеть вы. Это свойство метаматериалов позволяет ученым вытворять странные вещи, вроде создания плащей-невидимок (пока в будущем).
Тем не менее основная проблема метаматериалов в том, что если плащ-невидимка и будет создан, он будет скорее похож на танк, а не на ту накидочку из «Гарри Поттера». Более того, в нем придется оставить щель, чтобы видеть происходящее хотя бы с одной стороны, и это точно выдаст носящего.
На практике ученые воспроизводят эффект отрицательного преломления с использованием кольцевых резонаторов — обычно двух концентрических C-образных частей немагнитного металла (изображение выше). Точный принцип действия останется за пределами этой статьи, но по сути форма колец и расположение щели влияют на частоту спектра, с которым работает резонатор (микроволны, инфракрасный и т.п.), и отражением излучения, которое в него попадает. Есть и другая историческая проблема: такой кольцевой резонатор может работать лишь в узком диапазоне частот, то есть создание плаща-невидимки, скрывающего объект от всего спектра, затрудняется.
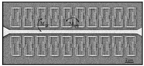
Исследователи из Технологического института Карлсруэ в Германии встроили 20 алюминиевых кубитов в микроволновый резонатор, создав небольшой кусочек квантового метаматериала (на изображении ниже). Когда микроволна определенной частоты попадает в квантовый метаматериал, фотоны (из которых состоят микроволны) летают в резонаторе и взаимодействуют с 20 кубитами, а после покидают резонатор в другой фазе. Измеряя изменение фазы, ученые пришли к интересному заключению: до восьми кубитов объединялись вместе, чтобы повлиять на фотоны, а потом эти группы разбивались на группы по четыре. Никто не знает почему, и поиск ответа на вопрос будет дальнейшей задачей исследователей.


